CJ 750 SV M1 M1M INTAKE & EXHAUST VALVE SPRINGS (4 PK)
CJ750 intake and exhaust valve
springs four pack for the side-valve
engines

Chang Jiang750 four pack intake and
exhaust valves.

Your CJ750 needs four of these and
consider swapping out if you are in the
process of replacing your valves.

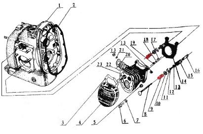
Springs are Part #9 of the CJ750 Parts
manual

Item # D010900S   Weight: 260g  USD 12
What about ...
To order click here to   
send an email direct to us
and list the product (s)
you are chasing.

To tell a
friend click
one of the
icons
I'm interested
Riders complete toolkit
toolkit tool kit CJ sidecar also suit Ural CJ750 parts
More part ideas
CJ750 complete oil seal,
gasket set
Chang Jiang 750 CJ750 CJ 750 oil seal gasket set
High speed M1 M1M SV
pistons and rings
nudge me
high speed cj750 parts sv pistons
Hello tiger
C750 piston pins ohv
M1S       
psssssttt....
cj750 piston pins m1s m1 super ohv 32hp master close
OHV's my thing
C750 piston pin circlips
OHV M1Super   
gotcha
cj750 piston pin circlip sv four pack 4
Same same but different
CJ 750 rear brake crank
throw       
don't be chicken
cj750 parts rear brake crank throw
Get cranking Smart
cj750 sv intake and exhaust valve springs inner measure
cj750 sv intake and exhaust valve springs laid back flathead
cj750 sv intake and exhaust valve springs flattie
cj750 sv intake and exhaust valve springs sidevalve
cj750 sv intake and exhaust valve springs packaging
cj750 sv intake and exhaust valve springs m1m
cj750 sv intake and exhaust valve springs solo
cj750 sv intake and exhaust valve springs
cj750 sv intake and exhaust valve springs measure
cj750 sv intake and exhaust valve springs four
cj750 sv intake and exhaust valve springs m1
chang jiang750 parts cylinder assembly valve springs
M72 CJ750 oil pump filter
screens
yoo-hoo
m72 cj750 oil pump filter screen
Keep it clean please
CJ750 SV Oversize piston
& rings 0.25  
 pigs do fly
cj750 m1 m1m sv piston pin +0.25
Oversize me
Crankcase breather    hit me
cj750 air flow airflow pipe m1s
Nice clean air
CJ750 M1 M1M SV piston
rings +0.00   
ring-a-ling
cj750 sv m1 m1m piston rings sidecar
Keeping standards
sidecar pro
register at side car pro
CLICK REGISTER TO
RECEIVE UPDATES FIRST